PICを利用した光スイッチタイマーの作成(高校物理実験・実習)
○ 光電効果、半導体、プログラミング、回路作成、基盤作成、重力加速度
新しく情報という教科が実施され高校教育も情報の導入が図られている。しかし現実に情報化を牽引している半導体については物理教育分野ではほとんど旧態のままである。そこで電子機器やロボットなどに利用されているワンチップマイコン(PIC)を用いてハードの基礎理解と半導体の特性などを生徒が実感しながら体験、応用することが可能な教材を考えた。これまでは高価な周辺機器が必要であったが安価に済むよう工夫し、msの精度で測定ができる回路を考えた。生徒は試行錯誤と感動体験を繰り返し、半導体、情報技術の理解への1歩を踏み出すことができる。
1.使用するPICと書換え器の準備
ここで利用するPICは14ビット18ピンの16F841)である(図1)。1KBの電気的に消去できるプログラムメモリと84Bのフラッシュメモリを持っている。安価でありあかつ電子工作に利用され文献も多い。2)

図1 PIC16F84
RA0からRA4,RB0からRB7までが入出力ポートであり、プログラムで自由に割付ができる。OSC1とOSC2には外部発信子を接続する(青色の素子、これはセラロックと呼ばれコンデンサを含んだ3端子構造になっている。中央をGNDし、両端をOSC1,2に接続する。4MHz、10MHz、20MHzなどがあるが本稿では主に10MHzを利用する)
このPICにプログラムを書き加えるには専用のROM書換え器が必要である。PICの製造元であるMicrochip社3)や秋葉原の秋月電子通商4)から販売されているが、6千円〜2万円程度の費用がかかり高価である。しかし、兵庫教育大学の松浦正史研究室5)で非常に単純で数百円程度の安価かな書換え器6)(図2右)が紹介され学校現場でも
PICへの書き込みが簡単にできるようになった。はじめに市販の書換え器がない場合は作成する必要がある。7)図3を参考にして生徒にハンダ付けの練習を兼ねて作成させるとよい。PIC(16F84)を入れても1000円以内におさまるがPICのソケットは簡単に取り外しが可能なレバー付のもの(18Pで1000円程度)が便利である。また他にPCと接続するためのシリアルケーブルが必要になる。

図2 ROM書換え器(PICライター)
図右がPIC製造元のMicrochip社の書換え器である高価だが多種のPICに対応していて自社の無償の書換えプログラム統合ソフトで利用できる。中央はジャパンエレキットで市販されているもの、図左が松浦正史研究室で紹介されているもっともシンプルなPICライタである。

図3 PICライタ 回路
図2の左のPICライタの回路図、一部ノートパソコンによっては書換えできない場合がある。
2.対象と目的
PICの利用は応用範囲が広く、ワンチップマイコンといえども非常に構造は複雑になっている。そこで物理を選択した高校生を対象にして今回は入門ということで次のように目的を設定する。
1.
PICの基本原理の理解と簡単なアセンブラの利用
2.
フォトダイオードを利用して半導体、光電効果の基礎理解
3.
PICとフォトダイオードを利用した回路の作成と物理実験への応用
現在ではPIC用の言語としてCやBasic8)も登場しているが今回はPICのハードウェアの理解に役立つアセンブラ9)を利用する。またここで利用するフォトダイオードはSanyo製のSPS-443-110)(図4)というテレビのリモコン等に利用されているものを用いる。この素子は蛍光灯などによる誤動作を阻止する回路が入っているうえに普通の白熱ライトで簡単に光スイッチを作成できるという長所がある。

図4 IR受光器 回路
OPICと呼ばれるSPS-443-1とその内部回路。安価であるがPINが短く電子工作には不便なところもある。他にもほぼ同じ規格の素子があるが簡単な光スイッチとして代用できるものは筆者の試したかぎりではSPS-443-1と1S1U60のみであった。
3.ブレッドボードを利用したLED点滅実習
はじめにもっとも基本的なLEDの点滅回路を組み立てる。これには図5にあるようなブレッドボードを利用するとよい。図5左がLED1個の点滅回路であり右がフォトダイオードをスイッチにしたLEDの点滅回路である。

図5 LED発光と光スイッチ回路
図左はRB0のポートにLEDが接続されている。右のボード左上にあるのがSPS-443-1でその横がロジック素子74HC04である。
これらの回路図が図6,7にある。まずLEDの点滅回路を作成して、LED.ASM11)を適当なエディタ、またはWindowsのメモ帳を利用して書きMPLABを利用してアセンブルする。12)次にPCと作成したPICライタをシリアルケーブルで接続し、18ピンのソケットにPIC(16F84)を向きの間違いがないように挿入する。MPLABで作成されたLED.HEXファイルをicprog.exe13)を利用してPICに書き込みをおこなう。無事成功すればPICを作成したブレッドボードに移して電源を入れてみる。生徒はここまですでに3回の感動体験をしていることになる。1つ目は最初のアセンブラがうまくコンパイルされたかで、2つ目は書き込みがうまくいったかであり、3つ目は正しく回路が動作したかである。LED.ASMは簡単にLEDの数を増やしたり、点滅間隔を変更したりできる。単純なこの1つのLEDを使用した回路はPICの動きを知るには最も基本的で重要な回路である。この回路で点灯時間を変えたり、LEDを増やしたりして試行錯誤を繰り返し、慣れた後に次のフォトダイオードをスイッチにした回路にステップアップする。

図6 演習用 LED発光回路
LED.ASMをコンパイルし、LED.HEXをPICライタで16F84に書き込む

図7 演習用 光スイッチ回路
IRLED.ASMをコンパイル、IRLED.HEXをPICライタで16F84に書き込む
4.フォトダイオードを使用した光スイッチの実習
図7用のアセンブラはIRLED.ASM11)である。先と同様にしてプログラムを書き込み、図5右を参考にしてブレッドボード上に回路を組み立てる。IRLED.HEXの書き込まれたPICをブレッドボード上に回路に移し、回路を完成させたらセンサの受光部分を比較的暗くして、スイッチを入れる。次に白熱灯をセンサに照射するとLEDの発光の仕方がプログラムにより変化する。このブレッドボード上には光によるスイッチを安定動作させるためにNOTの役割をする論理素子74HC0414)を利用している。生徒は光と電気のつながりを自ら確かめながら実験し、半導体の特性を知る導入になる。
ここで使用しているフォトダイオードは図4のようにノイズのトラップ回路とトランジスタが組み合わさってできている。基本的にはセンサ部はPN接合であり、その性質と光電効果についての学習ができる。まず外部電源を与えないで白熱灯、もしくはTVリモコンの赤外線を当てると図8のように+端子から負の起電力を得られる。

図8 光起電力効果
SPS-443-1に電源をつなげずに+端子の電圧をオシロスコープで測定した。光を照射すると−0.3V程度の起電力が生じる。
これは次の図9のように空乏層の光子により電子−ホールが対生成されると電子はN層にホールがP層に移動するためにP側が正孔過剰になり、N側が電子過剰になる。従って電位差ΔVが生じるのである。これからフォトダイオードに逆バイアスをかけると空乏層が広がって接合容量が減少し、光に対し応答性のよい特性が得られる15)。

図9 PN接合の原理
図左がPN接合のモデルである。これに光を照射すると図右のように電子と正孔が対生成し、フェルミ準位が変化し、電位差ΔVが生じる。
この性質を利用してフォトダイオードを使ったセンサを光スイッチに利用できる。図4のようにアンプと組み合わさったセンサの出力端子は光を当てている状態でON(+5V)が得られ、光をさえぎった時にOFF(0V)として利用ができる。また、反応速度もmsを検出する程度であれば十分に速い。(図10)

図10 光スイッチ
SPS-443-1に5V 電源をつなげ、出力端子の電圧をオシロスコープで測定した。光を照射するとすばやく0Vに落ち込む。
このような性質は他のOPICでもみられる。このSPS443の他にもCRVP1738などが出回っているが両者には応答速度に差があり、また白熱灯を当てた時にOFFの状態維持する時間が異なる。身近な白熱灯を光スイッチにするためにはSPS443が優れている。10)これらのセンサには既にアンプ等が組み込まれているので正負を反対にして電圧を加えると加熱して素子が壊れるので厳禁である。
このように身近にある光源を利用してPN結合の特性を知ることができる。さらにフォトダイオード自体が発電の能力があることから太陽電池への応用や、光→電気だけでなく、発光ダイオードのように電気→光を理解する準備にも利用できる。
5.パソコンと通信した計測機器への応用
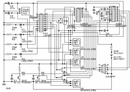
PICとセンサの基礎が体験できたら次の3番目のステップに進む。ここでは実用的に物理の実験にいかせるものを作成することを考える。そこでこれまでの学習を活かして、光センサをスイッチにしたmsの精度を期待できるタイマを考えた。制御はRS232Cを通してパソコンでおこない、データを記録、解析できるようにする。16F84には内部に記憶できるRAMを持っているが、書き込みに数msが必要で容量も小さいので制御と共に記録もPC側に任せることにした。PICは4クロックで1つの命令をこなす、従って16F84を10MHzで駆動させれば1サイクルを400nsの短時間で処理する能力を持ち、アセンブラを使うとこの時間を自由に組み立てることができる。またRS232Cを用いてPCと通信する場合は9600bpsを利用すると1サイクルは104μsであり、この時間もPICで作るこができる。さらにここで利用したフォトダイオードセンサは応答性がよい、これから少なくともms単位で有効に測定ができる光スイッチを利用したタイマが作成できそうである。16F84には13個のIOポートがありこれをプログラムで入力、出力に割り振ることができる。今回はRB0からRB3までにLEDをつけ、RB4からRB7に4つのセンサを接続する。また、PCから送る文字により1センサでON,OFF間隔を計測できて振り子の周期をはかるのに便利なモード、2のセンサでON、OFFし時間を計測するモード、さらに4つのセンサで時間を計測するモード(1つ目でStartし、3つのセンサを通過した時間を出す)の3つを用意し、LEDでどのモードかを知らせるようにした。また、振り子モードでは対象物の大きさに柔軟に対応できるようにセンサが次の検出をおこなう時間をPC側からコントロールできるようにした。この光スイッチを利用したタイマー(以後PicTimer)の回路図が図11である。

図11 PicTimer回路図
図のPUSSWはテスト用のプッシュスイッチであり、SW1とSW2でセンサかプッシュスイッチかの入力切替えをする。4つのSPS433センサは上からRB5,RB4,RB7,RB6に接続され、振り子モードがRB7、2センサモードはRB6がスタート、RB7がストップであり、4センサモードはRB6がスタート、RB7が計測時間1、RB4が計測時間2、RB5が計測時間3になる。
記録されるデータはCSV形式で保存できるようにし、表計算ソフトや数式処理ソフト等で解析できるようにPC側のプログラムも作成した。(図12)パソコン側のプログラムはビジュアルベーシックと通信用にOCX16)を用いた。

図12 PicTimer制御プログラム
PICを制御するためのプログラムVisual
Basicで作成した。図ではWをPICに送信し、3つのラップを得ている。タイマのカウントは16ビットを利用しているので16進でFFFF、すなわち最大6.5535秒までになる。
6.感光基盤によるPicTimer回路作成
PicTimerは必素子も増えたので感光基盤を用いて回路を作成する。感光基盤による回路の作成についてはいくつかの文献を参照できる17)しかし、あまり実用的なものが少ないので簡単にここで紹介したい。まず図13右のような感光の原版を図11の回路図を基に適当なエディタ18)を用いて作成する必要がある。

図13 感光基盤による回路作成
図右のように適当なソフトで原版を作成し、レーザープリンタでOHP用の透明シートに出力する。図は2枚重ねてある。図左は完成し、穴あけを済ました基盤である。
次に図14のように感光基盤と現像液、エッチング液と液などを入れるためのトレーを3つ用意する。1つのトレーには現像液を入れ、もう一つのトレーにはエッチング液を入れて約45℃程度にお湯、もしくは保温器であたためておく。感光基盤用の原版ができたら裏表をまちがえないように感光基盤に載せてクランプにはさみ上から光を当てる。(専用の紫外線蛍光灯で6分程度)
(図15) 感光が終わったら現像液にひたして基盤をゆらしながら回路図が青く浮かび上がるまで現像する。(3分程度) 現像が終わったら基盤は3つめのトレーに入れて水洗いをして、十分に乾燥させる。(現像液はまだ捨ててはならない) 次に乾いた基盤をエッチング溶液に浸け、40℃から45℃を保ちながら基盤をゆらしたり、裏返したりし、余分な銅を落とす。銅がおち、青い回路面だけが残ったら、青い皮膜を取るために再び紫外線ライトで2分程度露光し、現像液にいれる。後はきれいに水洗いすれば基盤の完成である。この後はドリルで穴をあけ、必要ならハンダが乗り易いようにワックスを塗って仕上げる。19)(図16) 後は回路図11、図17を参考にして、部品をハンダ付けし、回路を完成させる。(図17)

図14 基盤作成に必要なもの1
図左はエッチング液と温度計、竹はさみ。図中が現像液(DP10) 図右は感光基盤(10K)その下に見えるのが仕上げに使うワックスである。

図15 基盤作成に必要なもの2
図左のクランプに感光版を下、プリントアウトした回路原版を上にして図右の蛍光管で露光する。普通の蛍光灯でも代用できるが時間がかかる。筆者は2枚プリントアウトしたものを重ねて6分程度露光した。

図16 基盤作成に必要なもの3
基盤が完成したらドリルで穴を開ける。専用で安価なものが市販されている。穴あけが終わったらワックスを塗るとハンダの付がよくなる。

図17 PicTimer完成基盤
図の白いテープが張ってあるのがPIC16F84である。右上の白い4つの端子にセンサSPS-443を接続する。左上がRB6,左下がRB7、右上がRB5、右下がRB4になる。PICの右で74HC04の左にジャンパピンがあり上2つをショートさせるとセンサがスイッチになり、下2つをショートするとプッシュボタンをRB6,RB7のスイッチにする。
6.PicTimerによる測定結果
PicTimerは先にも紹介したように3つのモードを持ちPC側から制御できる。はじめに振り子の周期をはかってみよう。この場合は完成したPicTimerをPCにRS232Cで接続し、電源を入れる。はじめは4つのLEDが点灯する。
RB7にセンサをつけ図18のようにセンサとライトの間を振り子の錘が通過するようにセットする。セットができたらPCからPicTimer.exeを起動しシリアルポートの設定をしたらPをクリックし、待ち時間を選択して、ポートをオープンし、送受信ボタンを押す。

図18 振り子モードで周期測定
振り子モードを使うために振り子をセンサとライトの間にセットする。センサにはいらなくなった名刺を切ってカバーをつけてある。
振り子のモードではRB7にLOWの信号が入ってから次にLOWの信号が入るまでの時間を次々に記録していくようになっている。ただし、あまりに早く次のLOWになるのを検出にいくと錘がまだセンサを通過してなくてLOWを検出してしまうことがある。そのためにPC側から数値をPICに送りこれを単位にして約10msのウェイトルーチンを繰り返すようにした。次のデータ(表1)は数値を2、すなわち20msと4すなわち40msで検出にいかせたときの計測データである。
|
2を送信 |
4を送信 |
|
0.0202 |
0.0406 |
|
0.0202 |
0.0406 |
|
0.0202 |
0.0406 |
|
0.0202 |
0.0406 |
|
0.0202 |
0.0406 |
|
0.0202 |
0.0406 |
|
0.0202 |
0.0406 |
|
0.0202 |
0.0406 |
表1
検出にいく間隔を短くして、センサがふさがれたままだと表のように検出間隔がそのまま記録される。ウェイトルーチンは10msをつくる以外にいくつかのステップが追加されているので正確に20ms、40msにはならない。
では、実際に長さ1.670mの糸に直径3cm重さ118.60gの錘をつけてPicTimerで計測した例を次の表2に示す。錘の直径とセンサ通過時の速さから検出間隔を調整する。(表2では数値12を送信し約0.12秒待って次を検出)振り子モードは工夫すれば物体の大きさを測ることにも応用できる。
|
半周期[s] |
周期[s] |
g |
|
1.2030 |
|
|
|
1.3875 |
2.5905 |
9.8245 |
|
1.2023 |
|
|
|
1.3883 |
2.5906 |
9.8237 |
|
1.2024 |
|
|
|
1.3893 |
2.5917 |
9.8154 |
|
1.2013 |
|
|
|
1.3888 |
2.5901 |
9.8275 |
|
1.2013 |
|
|
|
1.3896 |
2.5909 |
9.8214 |
|
平均 |
2.5908 |
9.8225 |
表2
振り子モードでの実測例。左端が記録されたデータである。2回の計測で1周期になるためその値が真ん中の列になる。右端は周期の公式から重力加速度gを算出したものである。
次に4つのセンサをつけて高校物理で記録タイマで行われている重力加速度の測定を実施した。PicTimerのポートを図19のように上からRB6,RB7,RB4,RB5の順にセットする。センサが多くなったので計測の前に次ぎのように回路チェックをするとよい。PicTimerに電源を入れて4つのセンサにライトを当てる。そして図1を参考にして基盤上の16F84のRB6,RB7,RB4,RB5端子の電圧をテスターで測る。ライトが当たって各端子がHighの状態であれば5V程度の電圧が測定できる。次にライトとセンサの間を遮蔽し、各端子の電圧が0Vまで下がれば回路上は問題がない。

図19 4センサモードでの重力加速度測定例
高さ2m程度内に4つのライトと4つのセンサをスタンドにセット。1番目のセンサがスタートとなり、3点での通過時刻を記録する。
スタートのセンサから最初の計測までの距離は63.5cm、次が99.0cm、最後が157.5cmである。この実験でデータをとったのは図20のような3種類のボールについてである。実験は5回おこないその平均を出した。PicTimerでの測定結果は表2のようになった。

図20 測定した落体
図左の金属球は直径3cm、重さ118.6gw、図中のゴム球は直径3.4cm重さ30.07gw、図左のスポンジ球は直径6.8cm、重さ12.61gw
|
金属直径3cm |
|
ゴム直径3.4cm |
|||||||||||
|
重さ118.60g |
|
重さ30.07g |
|||||||||||
|
t[s] |
g[m/ss] |
Vo[m/s] |
|
t[s] |
g[m/ss] |
Vo[m/s] |
|||||||
|
0.2762 |
|
|
|
0.2734 |
|
|
|||||||
|
0.3617 |
|
|
|
0.3586 |
|
|
|||||||
|
0.476 |
10.0044 |
0.9278 |
|
0.4728 |
9.9909 |
0.9694 |
|||||||
|
0.2746 |
|
|
|
0.2652 |
|
|
|||||||
|
0.3598 |
|
|
|
0.3499 |
|
|
|||||||
|
0.4729 |
10.2385 |
0.9096 |
|
0.4661 |
9.4617 |
1.1741 |
|||||||
|
0.2774 |
|
|
|
0.2626 |
|
|
|||||||
|
0.3627 |
|
|
|
0.3477 |
|
|
|||||||
|
0.4779 |
9.8288 |
0.9471 |
|
0.4622 |
9.7875 |
1.1457 |
|||||||
|
0.2663 |
|
|
|
0.2676 |
|
|
|||||||
|
0.351 |
|
|
|
0.3536 |
|
|
|||||||
|
0.465 |
9.9401 |
1.076 |
|
0.4679 |
9.9095 |
1.0478 |
|||||||
|
0.2708 |
|
|
|
0.2731 |
|
|
|||||||
|
0.3559 |
|
|
|
0.3593 |
|
|
|||||||
|
0.4694 |
10.1087 |
0.9828 |
|
0.4735 |
9.9989 |
0.9591 |
|||||||
|
0.2722 |
|
|
|
0.267 |
|
|
|||||||
|
0.3572 |
|
|
|
0.3523 |
|
|
|||||||
|
0.4712 |
10.0171 |
0.9825 |
|
0.4666 |
9.8929 |
1.0675 |
|||||||
|
平均 |
10.0229 |
0.971 |
|
平均 |
9.8402 |
1.0606 |
|||||||
|
|
スポンジ直径6.8cm |
|
|||||||||||
|
|
抵抗無し 重さ12.61g 抵抗有り |
|
|||||||||||
|
|
t[s] |
g[m/ss] |
Vo[m/s] |
g[m/ss] |
Vo[m/s] |
k |
|
||||||
|
|
0.2913 |
|
|
|
|
|
|
||||||
|
|
0.3782 |
|
|
|
|
|
|
||||||
|
|
0.5054 |
7.8409 |
1.135 |
11.3316 |
0.5224 |
0.3045 |
|
||||||
|
|
0.2873 |
|
|
|
|
|
|
||||||
|
|
0.3756 |
|
|
|
|
|
|
||||||
|
|
0.5046 |
7.5272 |
1.2222 |
10.7662 |
0.6518 |
0.291 |
|
||||||
|
|
0.2946 |
|
|
|
|
|
|
||||||
|
|
0.3819 |
|
|
|
|
|
|
||||||
|
|
0.5098 |
7.774 |
1.1079 |
11.1743 |
0.4951 |
0.341 |
|
||||||
|
|
0.296 |
|
|
|
|
|
|
||||||
|
|
0.3842 |
|
|
|
|
|
|
||||||
|
|
0.5142 |
7.4804 |
1.1398 |
10.9693 |
0.5068 |
0.3455 |
|
||||||
|
|
0.2999 |
|
|
|
|
|
|
||||||
|
|
0.3866 |
|
|
|
|
|
|
||||||
|
|
0.5145 |
7.8255 |
1.0481 |
11.5186 |
0.3794 |
0.3639 |
|
||||||
|
|
0.2965 |
|
|
|
|
|
|
||||||
|
|
0.3836 |
|
|
|
|
|
|
||||||
|
|
0.5116 |
7.7776 |
1.0891 |
11.353 |
0.4486 |
0.3399 |
|
||||||
|
|
平均 |
7.7042 |
1.1237 |
11.186 |
0.5007 |
0.331 |
|
||||||
表2 3つの球体の落下時間
5回の測定を平均した値。スポンジ球は速さに比例する抵抗を考慮して算出したgと初速、抵抗定数が図右下にある。
表2からスポンジ球の場合は明らかに空気抵抗が関与しているので次のように速さに比例する抵抗を考慮した。
式(1)
これからcを定数とし、y(0)=0とし、 次の解を得る。
式(2)
実験では原点以外に3つの(時刻、位置)が測定されているのでこれを数式処理ソフトでtの20次まででFITさせ、その近似式を式(2)の展開式と比較し、3次までの係数からk、g、cを得て表2を作成した。
7.今後の課題
一般的な物理の重力加速度の測定実験にPICを用いた回路の作成を取り入れることで生徒の獲得する内容は一挙に豊富になる。1000円程度で自作できる回路でも精度の高い実験を期待できると同時に生徒に自ら小さなチップをコントロールする楽しみを実感させることができる。
思わぬところで教師が生徒の能力を発見することもある。学校に眠っている古いPCも測定器としては十分である。さらに実験データを解析していく学習もできる。しかし、実習を伴うこの教材は生徒の数が多いと対応できない。最近では小人数の授業が認められてきているので物理の通常のカリキュラムを越えたところでこうした講座を普通高校でも実施していけると考える。
参考文献等
1) 16F84の詳細については次の文献が詳しい。単価は
400円前後で流通している。最近は20MHzで駆動可能な16F84-20/Pが多いが10MHzで駆動しても問題ない。
「PICワンチップマイクロコントローラー 基礎編」
(株)マイクロアプリケーションラボラトリー(2000)
PICはPeripheral Interface Controller(周辺機器制御素子)の略である。
2) 16F84を利用した電子工作入門書としては
「たのしくできるPICプログラミングと制御実験」
東京電機大学出版局 鈴木美朗志 著 (2002.3)
「電子工作のためのPIC活用ガイドブック」
技術評論社 後閑哲也 著 (2000.5)
3) PICの製造元http://www.microchip.co.jp/
PICライタ等も販売している。
4) 電子部品等の販売 http://akizukidenshi.com/
PIC開発用プログラム言語等も扱っている。
5) 兵庫教育大学http://www.hyogo-u.ac.jp/index-j.html
技術科 松浦研究室 PICを利用した自走ロボットの公開講座などが実施されている。
6)ジャパンエレキットで2300円程度で完成品を販売http://www2.wbs.ne.jp/~buster/index.htm
7) 他にシンプルで安価に自作できるPICライタとしては次のJDMのURLを参照するとよい。
http://www.jdm.homepage.dk/newpics.htm
8) PICBASIC 秋月電子
「C言語によるPICプログラミング入門」
技術評論社 後閑哲也 著 (2001.1)
9) MPLAB IDE Microchip社の統合ソフト同社HPから無償でダウンロードできる。ASMファイルを作成、HEXファイルを出力する。シミュレーションもできるが日本語に対応していない。解りやすい説明は「はじめてのPICマイコン」 オーム社 中尾真治 著 (2001.8)
10) フォトダイオードとアンプなどを組み込みOPICと呼ばれるIC、Sanyo製SPS-443-1は150円程度。データ付で流通している。本稿で光スイッチとして利用するOPICは1S1U60でも代用できるが単価が480円と高い。
11) LED.ASMおよび本稿のソースファイルはダウンロードのコーナーからダウンロードできる。コンパイル済のファイルとMPLABver6用のプロジェクトファイルがある。PicTimerの簡易解説もある。
12) アセンブルするとASMファイルはHEXファイルとして出力される。最新のツールはMicrochip社の下記HPからダウンロードできる。解説書等も揃っている。http://www.microchip.co.jp/tool.htm
さらに解りやすい使い方は「はじめてのPICマイコン」 オーム社 中尾真治 著 (2001.8)
を参考にするとよい。
13) Microchip社のPICライタを使用しない場合は
IC-Progを利用して書き込みをおこなう。最新版は下記HPから無償でダウンロードできる。
http://www.ic-prog.com/index1.htm
IC-Progの日本語解説および安価なPICライタの作成については下記HPを参考にするとよい。
http://cgi.biwa.ne.jp/~jr3roc/pic/
14)
74シリーズには他にAND、OR、XORなどの論理回路を持ったものが出ている。単価は10円程度で手に入る。
15)
PN接合の原理については
「図説 電子デバイス」 産業図書
菅博、川畑敬志、矢野満明、田中誠 共著(1998)
フォトダイオードなどのセンサについては
「センサ」 コロナ社 千原国宏 著(1996)
フォトダイオードなどのセンサについては
「センサ」 コロナ社 千原国宏 著(1996)
「センサと基礎技術」 工学図書株式会社
南任靖雄 著(1994)
光デバイスについては
「オプト・デバイス応用ノウハウ」
CQ出版社 谷善平 編著 (2000)
16)
アセンブリファイル名はPicTimer.ASM
VisualBasic6用のプログラムは
単独実行用がPicTimer.exe、 ソースプロジェクトファイルがpictimer.vbpである。
これらはダウンロードのコーナーからダウンロードできる。
またソースファイルを修正する場合はシリアル通信用のOCXとしてHKComm6.OCXを利用している。これは下記のサイトから無償で入手できる。
http://www.vector.co.jp/soft/dl/win95/prog/se094850.html
VisualBasicを利用した通信・制御プログラムについては次を参考にするとよい。
「VisualBasicでエンジョイプログラミング」
CQ出版社 互野恭治 著 (1998.10)
17) 「たのしくできるPIC電子工作」
東京電機大学出版局 後閑哲也 著 (2000.7)
18) 専用のエディタは高価であるが下記URLから無償のものが手に入る。ここで紹介した回路程度であれば十分作成できる。 http://www.vector.co.jp/soft/win95/business/se056371.html 「プリント基板エディタPCBE」
また、ダウンロードのコーナーからこのPCBEで作成したPicTimerのプリント基板用回路図がダウンロードできる。
19) 図14,15,16の感光用の部品については次のサンハヤトのHPを参考にするとよい。